logo
Optimisé pour
mozilla firefox
Firefox




Créer la forme de base


Les questions à se poser avant de commencer :

Quelle fonction utiliser ?

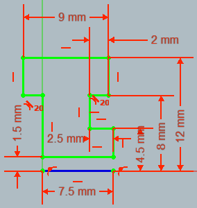
L'outil Revolution :
Il faut donc une esquisse ...

Dans quel plan ? comment ?

Dans le plan (y, z) ;
Avec l'outil
Polyline .


 

 

 

 

 

 

 

 

 

 

 

 

 

roue_et1

Cliquez sur les étapes
du cycle de construction :

 

Créer un corps PartDesign (body) si ce n'est pas fait. 

Sélectionner le plan qui va supporter votre esquisse

Nous choisirons ici le plan (y, z) qui correspondra à la vue contenant l'axe des roues de la camionnette.

Sélectionner ce plan par un clic gauche de la souris, soit dans l'arbre de construction, soit dans la fenêtre 3D si les plans généraux sont visibles.

(la touche Espace sert à masquer ou à rendre visible n'importe quel objet dans l'arborescence)
 

     ou        

      Volume suivant ... Etape suivante